Nucleo F103RB
Overview
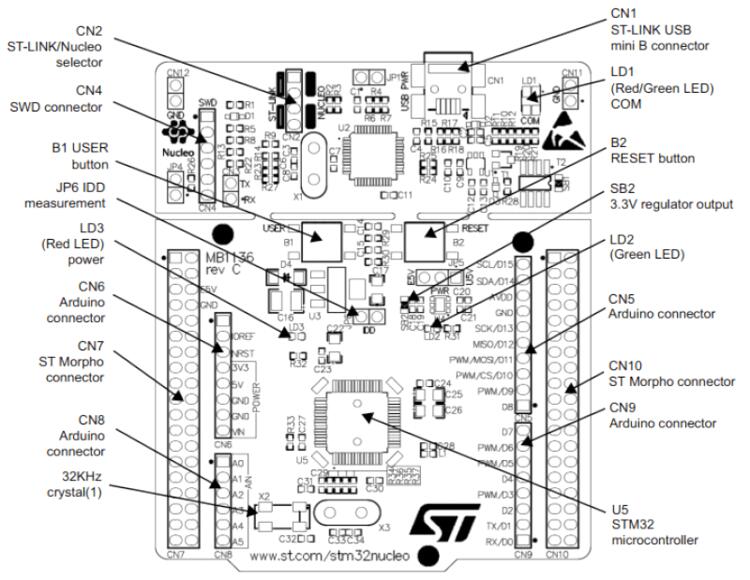
The STM32 Nucleo-64 development board with STM32F103RB MCU, supports Arduino and ST morpho connectivity.
The STM32 Nucleo board provides an affordable, and flexible way for users to try out new concepts, and build prototypes with the STM32 microcontroller, choosing from the various combinations of performance, power consumption, and features.
The Arduino* Uno V3 connectivity support and the ST morpho headers allow easy functionality expansion of the STM32 Nucleo open development platform with a wide choice of specialized shields.
The STM32 Nucleo board integrates the ST-LINK/V2-1 debugger and programmer.
The STM32 Nucleo board comes with the STM32 comprehensive software HAL library together with various packaged software examples.
More information about the board can be found at the Nucleo F103RB website [1].
Hardware
Nucleo F103RB provides the following hardware components:
STM32 microcontroller in QFP64 package
Two types of extension resources:
Arduino* Uno V3 connectivity
ST morpho extension pin headers for full access to all STM32 I/Os
On-board ST-LINK/V2-1 debugger/programmer with SWD connector:
Selection-mode switch to use the kit as a standalone ST-LINK/V2-1
Flexible board power supply:
USB VBUS or external source (3.3V, 5V, 7 - 12V)
Power management access point
Three LEDs:
USB communication (LD1), user LED (LD2), power LED (LD3)
Two push-buttons: USER and RESET
USB re-enumeration capability. Three different interfaces supported on USB:
Virtual COM port
Mass storage
Debug port
More information about STM32F103RB can be found here:
Supported Features
The nucleo_f103rb
board supports the hardware features listed below.
- on-chip / on-board
- Feature integrated in the SoC / present on the board.
- 2 / 2
-
Number of instances that are enabled / disabled.
Click on the label to see the first instance of this feature in the board/SoC DTS files. -
vnd,foo
-
Compatible string for the Devicetree binding matching the feature.
Click on the link to view the binding documentation.
nucleo_f103rb/stm32f103xb
target
Type |
Location |
Description |
Compatible |
---|---|---|---|
CPU |
on-chip |
ARM Cortex-M3 CPU1 |
|
ADC |
on-chip |
STM32F1 ADC1 |
|
CAN |
on-chip |
STM32 CAN controller1 |
|
Clock control |
on-chip |
STM32F1/F3/7x RCC (Reset and Clock controller)1 |
|
on-chip |
STM32 HSE Clock1 |
||
on-chip |
|||
on-chip |
STM32F1 Main PLL for low-, medium-, high- and XL-density devices1 |
||
on-chip |
STM32F1 Microcontroller Clock Output (MCO)1 |
||
Counter |
on-chip |
STM32 counters3 |
|
DMA |
on-chip |
STM32 DMA controller (V2bis) for the stm32F0, stm32F1 and stm32L1 soc families1 |
|
Flash controller |
on-chip |
STM32 Family flash controller1 |
|
GPIO & Headers |
on-chip |
STM32 GPIO Controller5 |
|
on-board |
GPIO pins exposed on Arduino Uno (R3) headers1 |
||
on-board |
GPIO pins exposed on ST Morpho connector1 |
||
I2C |
on-chip |
||
Input |
on-board |
Group of GPIO-bound input keys1 |
|
Interrupt controller |
on-chip |
ARMv7-M NVIC (Nested Vectored Interrupt Controller)1 |
|
on-chip |
STM32 External Interrupt Controller1 |
||
LED |
on-board |
Group of GPIO-controlled LEDs1 |
|
MTD |
on-chip |
STM32 flash memory1 |
|
on-board |
Fixed partitions of a flash (or other non-volatile storage) memory1 |
||
PHY |
on-chip |
This binding is to be used by all the usb transceivers which are built-in with USB IP1 |
|
Pin control |
on-chip |
STM32F1 Pin controller1 |
|
Power management |
on-chip |
STM32 power controller1 |
|
PWM |
on-chip |
||
Reset controller |
on-chip |
STM32 Reset and Clock Control (RCC) Controller1 |
|
RTC |
on-chip |
STM32 RTC1 |
|
Sensors |
on-chip |
STM32 Internal Temperature Sensor1 |
|
Serial controller |
on-chip |
||
SMbus |
on-chip |
STM32 SMBus controller2 |
|
SPI |
on-chip |
STM32 SPI controller2 |
|
SRAM |
on-chip |
Generic on-chip SRAM1 |
|
Timer |
on-chip |
ARMv7-M System Tick1 |
|
on-chip |
|||
USB |
on-chip |
STM32 USB controller1 |
|
Watchdog |
on-chip |
STM32 watchdog1 |
|
on-chip |
STM32 system window watchdog1 |
Connections and IOs
Each of the GPIO pins can be configured by software as output (push-pull or open-drain), as input (with or without pull-up or pull-down), or as peripheral alternate function. Most of the GPIO pins are shared with digital or analog alternate functions. All GPIOs are high current capable except for analog inputs.
Board connectors:

Default Zephyr Peripheral Mapping:
UART_1 TX/RX : PA9/PA10
UART_2 TX/RX : PA2/PA3 (ST-Link Virtual COM Port)
SPI1 NSS/SCK/MISO/MOSI : PB6/PA5/PA6/PA7 (Arduino SPI)
SPI2 SCK/MISO/MOSI : PB12/PB13/PB14/PB15
I2C1 SDA/SCL: PB9/PB8 (Arduino I2C)
PWM1_CH1: PA8
USER_PB : PC13
LD1 : PA5
For more details please refer to STM32 Nucleo-64 board User Manual [4].
Programming and Debugging
The nucleo_f103rb
board supports the runners and associated west commands listed below.
flash | debug | attach | debugserver | rtt | |
---|---|---|---|---|---|
jlink | ✅ | ✅ | ✅ | ✅ | ✅ |
openocd | ✅ | ✅ (default) | ✅ | ✅ | ✅ |
stm32cubeprogrammer | ✅ (default) |
Nucleo F103RB board includes an ST-LINK/V2-1 embedded debug tool interface.
Applications for the nucleo_f103rb
board configuration can be built and
flashed in the usual way (see Building an Application and
Run an Application for more details).
Flashing
The board is configured to be flashed using west STM32CubeProgrammer [5] runner, so its installation is required.
Alternatively, OpenOCD or JLink can also be used to flash the board using
the --runner
(or -r
) option:
$ west flash --runner openocd
$ west flash --runner jlink
Flashing an application to Nucleo F103RB
Here is an example for the Blinky application.
# From the root of the zephyr repository
west build -b nucleo_f103rb samples/basic/blinky
west flash
You will see the LED blinking every second.
Debugging
You can debug an application in the usual way. Here is an example for the Blinky application.
# From the root of the zephyr repository
west build -b nucleo_f103rb samples/basic/blinky
west debug