Nucleo F302R8
Overview
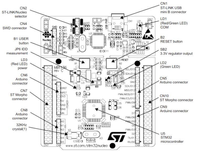
The Nucleo F302R8 board features an ARM Cortex-M4 based STM32F302R8 mixed-signal MCU with FPU and DSP instructions capable of running at 72 MHz. Here are some highlights of the Nucleo F302R8 board:
STM32 microcontroller in LQFP64 package
LSE crystal: 32.768 kHz crystal oscillator
Two types of extension resources:
Arduino* Uno V3 connectors
ST morpho extension pin headers for full access to all STM32 I/Os
On-board ST-LINK/V2-1 debugger/programmer with SWD connector
Flexible board power supply:
5 V from ST-LINK/V2-1 USB VBUS
External power sources: 3.3 V and 7 - 12 V on ST Zio or ST morpho connectors, 5 V on ST morpho connector
One user LED
Two push-buttons: USER and RESET
More information about the board can be found at the Nucleo F302R8 website, and in the STM32 Nucleo-64 board User Manual.
Hardware
The Nucleo F302R8 provides the following hardware components:
STM32F302R8T6 in QFP64 package
ARM® 32-bit Cortex® -M4 CPU with FPU
72 MHz max CPU frequency
VDD from 2.0 V to 3.6 V
64 KB Flash
16 KB SRAM
RTC
Advanced-control Timer
General Purpose Timers (4)
Basic Timer
Watchdog Timers (2)
PWM channels (18)
SPI/I2S (2)
I2C (3)
USART/UART (3/3)
USB 2.0 FS with on-chip PHY
CAN (2)
GPIO with external interrupt capability
DMA channels (7)
Capacitive sensing channels (18)
12-bit ADC with 15 channels
12-bit D/A converter
Analog comparator (3)
Op amp
More information about the STM32F302R8 can be found here:
Supported Features
The nucleo_f302r8
board supports the hardware features listed below.
- on-chip / on-board
- Feature integrated in the SoC / present on the board.
- 2 / 2
-
Number of instances that are enabled / disabled.
Click on the label to see the first instance of this feature in the board/SoC DTS files. -
vnd,foo
-
Compatible string for the Devicetree binding matching the feature.
Click on the link to view the binding documentation.
nucleo_f302r8/stm32f302x8
target
Type |
Location |
Description |
Compatible |
---|---|---|---|
CPU |
on-chip |
ARM Cortex-M4F CPU1 |
|
ADC |
on-chip |
STM32 ADC1 |
|
CAN |
on-chip |
STM32 CAN controller1 |
|
Clock control |
on-chip |
STM32F3 RCC (Reset and Clock controller)1 |
|
on-chip |
STM32 HSE Clock1 |
||
on-chip |
|||
on-chip |
STM32 LSE Clock1 |
||
on-chip |
STM32F0/F3 Main PLL1 |
||
Counter |
on-chip |
STM32 counters5 |
|
DAC |
on-chip |
STM32 family DAC1 |
|
DMA |
on-chip |
STM32 DMA controller (V2bis) for the stm32F0, stm32F1 and stm32L1 soc families1 |
|
Flash controller |
on-chip |
STM32 Family flash controller1 |
|
GPIO & Headers |
on-chip |
STM32 GPIO Controller5 |
|
on-board |
GPIO pins exposed on Arduino Uno (R3) headers1 |
||
on-board |
GPIO pins exposed on ST Morpho connector1 |
||
I2C |
on-chip |
||
Input |
on-board |
Group of GPIO-bound input keys1 |
|
Interrupt controller |
on-chip |
ARMv7-M NVIC (Nested Vectored Interrupt Controller)1 |
|
on-chip |
STM32 External Interrupt Controller1 |
||
LED |
on-board |
Group of GPIO-controlled LEDs1 |
|
Memory controller |
on-chip |
STM32 Battery Backed RAM1 |
|
MTD |
on-chip |
STM32 flash memory1 |
|
PHY |
on-chip |
This binding is to be used by all the usb transceivers which are built-in with USB IP1 |
|
Pin control |
on-chip |
STM32 Pin controller1 |
|
PWM |
on-chip |
||
Reset controller |
on-chip |
STM32 Reset and Clock Control (RCC) Controller1 |
|
RTC |
on-chip |
STM32 RTC1 |
|
Sensors |
on-chip |
STM32 family TEMP node for production calibrated sensors with two calibration temperatures1 |
|
on-chip |
STM32 VREF+1 |
||
on-chip |
STM32 VBAT1 |
||
Serial controller |
on-chip |
STM32 USART3 |
|
on-chip |
STM32 UART1 |
||
SMbus |
on-chip |
STM32 SMBus controller3 |
|
SPI |
on-chip |
||
Timer |
on-chip |
ARMv7-M System Tick1 |
|
on-chip |
|||
USB |
on-chip |
STM32 USB controller1 |
|
Watchdog |
on-chip |
STM32 watchdog1 |
|
on-chip |
STM32 system window watchdog1 |
Connections and IOs
The Nucleo F302R8 Board has 5 GPIO controllers. These controllers are responsible for pin muxing, input/output, pull-up, etc.
Board connectors:

Default Zephyr Peripheral Mapping:
The Nucleo F302R8 board features an Arduino Uno V3 connector and a ST morpho connector. Board is configured as follows:
UART_2 TX/RX : PA2/PA3 (ST-Link Virtual Port Com)
UART_3 TX/RX : PC10/PC11
I2C1 SCL/SDA : PB8/PB9 (Arduino I2C)
SPI2 CS/SCK/MISO/MOSI : PB6/PB13/PB14/P15 (Arduino SPI)
PWM_2_CH2 : PA0
USER_PB : PC13
LD2 : PB13
System Clock
The Nucleo F302R8 System Clock can be driven by an internal or external oscillator, as well as by the main PLL clock. By default the System Clock is driven by the PLL clock at 72 MHz. The input to the PLL is an 8 MHz external clock supplied by the processor of the on-board ST-LINK/V2-1 debugger/programmer.
Serial Port
The Nucleo F302R8 board has 3 UARTs. The Zephyr console output is assigned to UART2. Default settings are 115200 8N1.
Programming and Debugging
The nucleo_f302r8
board supports the runners and associated west commands listed below.
flash | debug | rtt | debugserver | attach | |
---|---|---|---|---|---|
jlink | ✅ | ✅ | ✅ | ✅ | ✅ |
openocd | ✅ | ✅ (default) | ✅ | ✅ | ✅ |
stm32cubeprogrammer | ✅ (default) |
The Nucleo F302R8 board includes an ST-LINK/V2-1 embedded debug tool interface.
Flashing
The board is configured to be flashed using west STM32CubeProgrammer runner, so its installation is required.
Alternatively, OpenOCD or JLink can also be used to flash the board using
the --runner
(or -r
) option:
$ west flash --runner openocd
$ west flash --runner jlink